Der CNC1201 ist einer der größten Tische von NIKKEN, ist ideal für die Branchen Luftfahrt und Energiewirtschaft geeignet und kann mit einem optionalen Stützwinkel auch vertikal verwendet werden.
Mit einem Modul von 10, einem kraftvollen Klemmsystem und ultrastarker Steifigkeit bietet der CNC1201 eine beispiellose Genauigkeit und Langlebigkeit. Der CNC1201 ist aus extrem langlebigem Material gefertigt und auf das langfristige Beibehalten einer hohen Genauigkeit bei minimalem Wartungsaufwand ausgelegt.


Rundtische Gesamtkatalog (DE - 846ED)
(PDF - 62.5 MB)
CNC1201 | |
---|---|
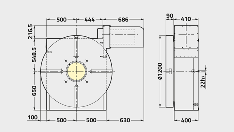
Planscheibendurchmesser [Ø mm] | 1200 |
Tischserie / Typ | Extragroß |
Standardmotorausrichtung (Option linksseitig erhältlich) | Rechts |
Durchmesser der Spindelbohrung [Ø mm H7] | 300 |
Anzahl der Spindeln | 1 |
Spitzenhöhe [mm] | 650 |
T-Nutenbreite [mm] | 22 (Optional) |
Klemmsystem | Hydraulisch |
Klemmmoment [Nm] | 18000 |
Trägheitsmoment an der Motorwelle [kg m² x 10³] | - |
Servomotor [min-1] | αiF30·2000 |
kleinstes Inkrement [Grad] | 0.001 |
Drehgeschwindigkeit [min-1] | 2.7 |
Gesamtuntersetzungsverhältnis | 1/720 |
Teilungsgenauigkeit [s] | 15 |
Teilungsgenauigkeit Ultrapräzision [s] | ±3 |
Nettogewicht [kg] | 3500 |
max. zulässiges Werkstückgewicht senkrecht [kg] | 6500 |
max. zulässiges Werkstückgewicht waagrecht [kg] | 13000 |
max. zulässige Axiallast [N] | 1333330 |
max. zulässige Axiallast [FxL Nm] | 79025 |
max. zulässige Axiallast [F x L Nm] | 240000 |
max zulässige Axiallast bei außermittigem Schwerpunkt (Vertikal mit Stütze) [Nm] | - |
Max. Trägheitsmoment [kg m²] | 2300 |
Antriebsmoment [Nm] | 8640 |